基于k8凯发TX6121DC-DC恒流芯片设计的LED降压恒流驱动DEMO说明

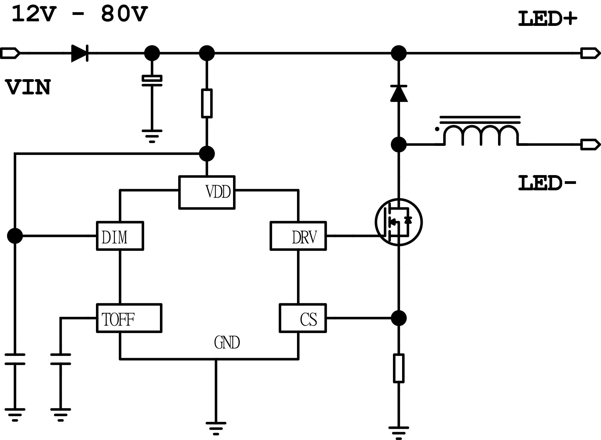
LED恒流驱动芯片TX6121DEMO原理图

LED恒流驱动芯片TX6121DEMO电路板

TX6121 DEMO 板实测数

TX6121 DEMO 板实测数据 和 转换效率 参考
基本描述:
本 DEMO 为 LED恒流芯片TX6121制作的演示板,用于 DC 输入 12-80V,输出电压9V,输出恒流 2.7A 的应用演示,最高转换效率高达 90%。
本电路固定工作频率是:36.76-183.8 KHz。输出 9V/2.7A ,输出电流可调。