TX4221 是一款升压型、升降压型的 DC-DC 控制器芯片
芯片典型应用支持 5-40V 输入电压范围,芯片采用固定频率的 PWM 控制方式,并在轻载条件下自动降频提高转换效率。
芯片内置高精度误差放大器、振荡器以及频率补偿电路,简化了外围设计。
芯片内置过流保护以及 EN 脚关断功能。工作频率可通过一个外接电阻调节,方便根据不同应用设置系统工作频率。
内部集成了软启动以及过温保护电路,减少外围元件并提高系统可靠性。
芯片采用 SOP8 封装
输入电压:5V - 400V
输出电压:24V
输出电流:2A
工作频率:100-450KHz
产品封装:SOP-8
升压、升降压电源
笔记本适配器
手持式设备
消费类电子产品
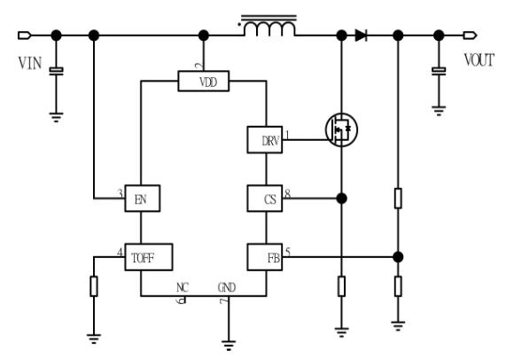
TX4221 应用原理图:
升压型:

升降压型:

TX4221 DEMO板 PCB图:

TX4221 输出电压计算器:
